秦皇島維克托承接力士樂REXROTH節流閥維修、REXROTH液壓閥維修、REXROTH閥維修保養業務,當您的REXROTH節流閥出現故障不知道該怎么維修時可以選擇秦皇島維克托來進行維修!
秦皇島維克托設有“維修檢測部門”,通過維修保養服務,能及時遇見并快速解決設備在使用中出現的各種問題。減少設備的故障率,提高設備的使用效率,讓客戶在設備使用中運行更便捷、省心、經濟、更放心。
REXROTH節流閥的維護和安裝應注意事項:
一、力士樂REXROTH節流閥的維護與清洗
當力士樂REXROTH節流閥被沉積物所阻礙時,節氣門開度值產生紊亂,發動機不能穩定、*確的控制其開度,開度值過低造成啟動困難、怠速不穩或異常熄火;發動機加減速時,力士樂REXROTH節流閥不能及時響應會導致加速延遲或突然提速。
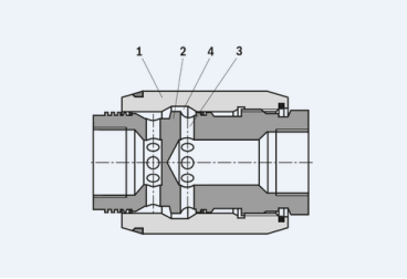
力士樂REXROTH節流閥發生在兩個流動方向。液壓油通過側孔(3)到達節流點(4)。這在外殼(2)和可調節套筒(1)之間形成。通過轉動套筒(1),可以無限改變節流點(4)的橫截面。
如圖所示:

特征:
用于管道安裝
取決于壓力和粘度
雙向節流
防腐蝕設計
力士樂REXROTH節流閥的外形結構與截止閥并無區別,只是它們啟閉件的形狀有所不同。力士樂REXROTH節流閥的啟閉件大多為圓錐流線型,通過它改變通道截面積而達到調節流量和壓力。力士樂REXROTH節流閥供在壓力降*大的情況下作降低介質壓力之用。
介質在力士樂REXROTH節流閥瓣和閥座之間流速很大,以致使這些零件表面很快損壞,即所謂氣蝕現象。為了盡量減少氣蝕影響,閥瓣采用耐氣蝕材料(合金鋼制造)并制成*尖角為140~180的流線型圓錐體,這還能使閥瓣能有較大的開啟高度,一般不推薦在小縫隙下節流。
二、力士樂REXROTH節流閥體沉積物的來源較為復雜,但可歸納為以下幾類:
1.油液中的機械雜質或因氧化析出的膠質、瀝青、碳渣等污物堆積在節流縫隙處。
2.由于油液老化或受到擠壓后產生帶電的*化分子,而節流縫隙的金屬表面上存在電位差,故*化分子被吸附到縫隙表面,形成牢固的邊界吸附層,吸附層厚度一般為5~8微米,因而影響了節流縫隙的大小。以上堆積、吸附物增長到一定厚度時,會被液流沖刷掉,隨后又重新附在閥口上。這樣周而復始,就形成了流量的脈動。
3.閥口壓差較大時,因閥口溫度高,液體受擠壓的程度增強,金屬表面也更易受摩擦作用而形成電位差,因此壓差大時容易產生堵塞現象。
4.PCV廢氣來源:燃燒室內的可燃混合氣通過活塞間隙進入曲軸箱后,與機油蒸汽混合后形成的混合氣體。為避免稀釋和污染機油,混合氣會被曲軸箱強制通風系統(PCV)抽入進氣道參與二次燃燒。這部分廢氣進到進氣道后,由于溫度降低會冷凝形成液相態,其中的“不穩定組分”會在高溫下氧化縮合,在力士樂REXROTH節流閥表面形成油垢并附著。
5.渦輪增壓壓氣機深入的潤滑油:對渦輪增壓發動機而言,普遍采取廢氣驅動方式,即利用排氣道產生的高壓廢氣驅動渦輪,并通過共軸帶動進氣道內的壓氣葉片,形成進氣道氣流增壓。但共軸軸承在長期且惡劣的工況下,易產生潤滑油的滲透及揮發,再加入充氣效率成倍增長,更易形成重質油污加劇力士樂REXROTH節流閥體沉積物的附著。
6.碳罐排出的燃油蒸汽:發動機碳罐吸附的燃油蒸汽中,易形成力士樂REXROTH節流閥沉積物的只要是環戊二烯,在持續的高溫下可氧化縮合形成膠狀油垢。
安裝時要注意介質方向與閥體所標箭頭方向保持一致。
秦皇島維克托產品維修范圍:精通各種分析儀器維修、安全激光掃描儀維修、測厚儀維修、檢測儀器維修、質量檢測儀器維修、電子測量儀器維修、精密測量儀器維修、等各種檢測儀器維修。比例閥維修、伺服比例閥維修、離心機維修、工業電子維修、電機維修、馬達維修、液壓氣動維修、泵閥維修、節流閥維修、隔膜閥維修、伺服器維修、控制器維修、逆變器維修、變頻器維修、傳感器維修、伺服放大器維修、手操器維修、光度轉換器維修、采樣器維修、直流調速器維修、流量控制器維修、電路板維修、PLC維修、HMI維修、觸摸屏維修、顯示器維修、電源模塊維修、開關電源維修、直流電源維修、能量計維修、液位計維修、流量計維修、安全光柵維修、輸液泵等設備維修。
上一篇:隔膜閥的作用與故障維修
下一篇:信號發生器的常見故障與維修